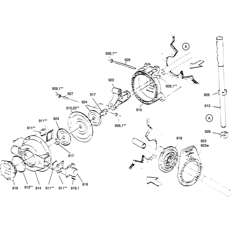
Beschreibung
RM69 Manchet holder til Senior lænsepumpe sort #923 er en original komponent eller reservedel til RM69 toiletsystemer og lænsepumper. Den er udviklet til at sikre korrekt funktion, tæthed og driftssikkerhed i sanitetssystemet ombord. Tekniske data: Delnumre markeret med * er indeholdt i 921/22030092 Servicesæt Senior A + B (se nederste linje).

